詳細介紹
產品概述 主要技術參數
主要零件材料
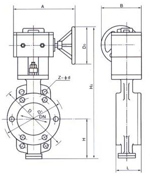
WBSX消防專用信號蝶閥主要外形連接尺寸 單位:mm
產品尺寸
|
溫馨提示:“BWSC中線型對夾信號蝶閥”所有文字、數據、圖片均只適用于參考。
如需與實物相吻合的性能參數、結構尺寸參數等詳情請來電來函索取。
電話:021-68103333 傳真:021-51686322
如需與實物相吻合的性能參數、結構尺寸參數等詳情請來電來函索取。
電話:021-68103333 傳真:021-51686322

產品概述 主要技術參數
主要零件材料
WBSX消防專用信號蝶閥主要外形連接尺寸 單位:mm
產品尺寸
|

輸入手機或固定電話號碼,點擊“免費咨詢”按鈕后,
我們的服務人員會在15秒內回撥您。