產品特點
自動保壓液控緩閉止回蝶閥,是目前用于水輪機進口處的關鍵控制設備,具有良好的密封、調節性能. 蝶閥,止回蝶閥,緩閉止回蝶閥,保壓液控蝶閥,液控止回蝶閥,自動保壓液控閥。
液控緩閉止回蝶閥又名:蝶閥,止回蝶閥,緩閉止回蝶閥,保壓液控蝶閥,液控止回蝶閥,自動保壓液控閥該止回蝶閥是本公司近年研制開發的新產品,通過對多種國內外同類產品進行認真考察與研究,創造了獨具特色的以三偏心為基本結構型式的液控蝶閥,經實地應用,操作系統運行良好,本蝶閥除了具有三偏心結構優點外還具備以下明顯優勢與特色。
1、本液控蝶閥的驅動系統為中同壓兩級驅動裝置,該裝置體積小而蝶閥啟閉速度的調控范圍大,初開啟段為高壓小流量控制,使蝶閥開啟瞬間狀態平緩,無劇烈波動,完全消除系統內的水錘隱患,然后將切入較快的轉動角速度,液壓缸將以設定的理想推力與速度將蝶板平穩打開。
2、本蝶閥的安裝位置通常為橫向臥式,蝶板偏離位置的合理擺放可使蝶板充分利用管道內的動水力矩驅動蝶板的順利關閉,本閥的安裝位置將體現動水力矩與重錘力矩的共同作用效果,隨著關閉轉角的逐步完成,動水力矩將趨于減小,重錘力矩將使關閉瞬間變的緩慢而平穩,從而嚴格杜絕了水錘現象的發生,零泄漏的密封效果將在這一合理嚴密的控制系統中得以可靠實現。
3、本液控蝶閥的電液控制系統具有遠程控制功能,蝶板任意速度的開啟與關閉以及任意位置的鎖定均可通過設計合理的各類液壓控制閥輕松實現。
4、本液控蝶閥配有手動油泵,在系統因故而斷電時仍可正常關閉或打開蝶閥。
液控蝶閥性能
|
型號
|
公稱壓力(MPa)
|
實驗壓(MPa)
|
適用溫度(℃)
|
適用介質
|
|
殼體實驗
|
密封試驗
|
|
KD741H-6C
|
0.6
|
0.9
|
0.66
|
≤65
|
水
|
|
KD741H0C
|
1.0
|
1.5
|
1.1
|
|
項目
|
公稱通徑
|
|
DN≤1000
|
DN≥1400
|
|
開閥時間 (S)
|
10~60可調
|
15~60可調
|
|
關閥時間(S)
|
快關
|
1.2~25可調
|
2~30可調
|
|
慢關
|
2~60可調
|
4~60可調
|
|
關閥角度(°)
|
快關
|
60°±10°
|
|
慢關
|
25°±10°
|
液控蝶閥主要零件材料
|
名稱
型號
|
閥體
|
蝶板
|
蝶板密封圈
|
閥桿
|
閥座
|
填料
|
|
DX7K41H-6/10 Z
|
灰鑄鐵
|
球墨鑄鐵
|
丁腈橡膠
|
鉻不銹鋼
|
銅合金
|
O型橡膠圈
|
|
DX7K41H-6/10 C
|
碳 鋼
|
碳 鋼
|
不銹鋼
|
鉻不銹鋼
|
不銹鋼
|
柔性石墨
|
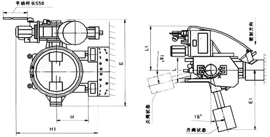
KD7K41X型自動保壓液控緩閉止回蝶閥主要外形尺寸及重量
|
公稱通徑(mm)
|
主要外形尺寸(mm)
|
重量(kg)
|
|
L
|
L1
|
E
|
E1
|
H
|
H1
|
|
500
|
350
|
800
|
1442
|
920
|
420
|
1100
|
1500
|
|
600
|
390
|
800
|
1634
|
1200
|
440
|
1500
|
1800
|
|
700
|
430
|
800
|
1728
|
1200
|
500
|
1200
|
2000
|
|
800
|
470
|
800
|
2000
|
1200
|
510
|
1210
|
2500
|
|
900
|
510
|
800
|
2130
|
1200
|
570
|
1270
|
3000
|
|
1000
|
550
|
800
|
2410
|
1300
|
620
|
1620
|
3000
|
|
1200
|
630
|
800
|
2600
|
1355
|
710
|
1710
|
4200
|
|
1400
|
710
|
800
|
2825
|
1355
|
820
|
1820
|
4900
|
|
1600
|
790
|
890
|
3141
|
1355
|
920
|
1920
|
5900
|
|
1800
|
870
|
890
|
3423
|
1760
|
1035
|
2035
|
6300
|
|
2000
|
950
|
890
|
3623
|
1860
|
1150
|
2140
|
6170
|
產品尺寸

|