詳細介紹
產品概述 用途 特點 2、該閥裝在泵后,可代替閘閥(蝶閥)和止回閥兩臺閥門。且流阻系數小,大口徑蝶閥流阻系數只比閘閥略高。因此,該類閥門為節能產品。 3、HD7Q41X型閥關閉時,可以根據管道系統的特性或用戶要求調整快、慢關段的時間和切換角度,從而達到消除或減小水錘,保護系統作用。 4、如所有行程開關都采用電感式接近開關,移除液壓站,防護等級可達IP67。 主要技術參數
主要零部件材料
執行標準
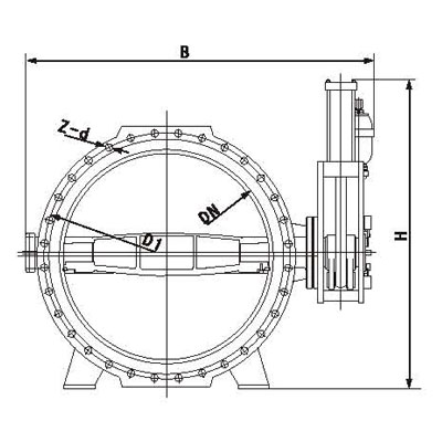
HD7Q41X-6/10/16全液控止回閥蝶閥主要外形連接尺寸
產品尺寸
| ||||||||||||||||||||||||||||||||||||||||||||||||||||||||||||||||||||||||||||||||||||||||||||||||||||||||||||||||||||||||||||||||||||||||||||||||||||||||||||||||||||||||||||||||||||||||||||||||||||||||||||||||||
溫馨提示:“HD7Q41X型全液控止回蝶閥”所有文字、數據、圖片均只適用于參考。
如需與實物相吻合的性能參數、結構尺寸參數等詳情請來電來函索取。
電話:021-68103333 傳真:021-51686322
如需與實物相吻合的性能參數、結構尺寸參數等詳情請來電來函索取。
電話:021-68103333 傳真:021-51686322

軟密封蝶閥視頻介紹





掃一掃關注我們