詳細介紹
產品特點 1、本閥采用雙偏心結構,具有越關越緊的密封功能,密封性能可靠。 2、密封副材料選用不銹鋼和丁腈耐油橡膠配對,使用壽命長。 3、橡膠密封圈即可位于閥體上,也可以位于蝶板上,可適用不同特點的介質,供用戶選擇。 4、蝶板采用框架結構,強度高,過流面積大,流阻小。 5、整體烤漆、能有效地防止銹蝕且只要更換密封閥座密封材料,就可使用于不同介質。 6、本閥具有雙向密封功能,安裝時不受介質流向的控制,也不受空間位置的影響,可在任何方向安裝。 7、本閥結構獨特,操作靈活,省力,方便。 主要結束參數
主要零部件材料
執行標準
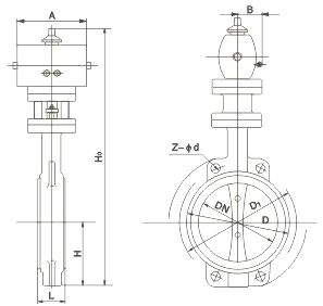
產品尺寸
| ||||||||||||||||||||||||||||||||||||||||||||||||||||
溫馨提示:“D672X氣動對夾式軟密封蝶閥”所有文字、數據、圖片均只適用于參考。
如需與實物相吻合的性能參數、結構尺寸參數等詳情請來電來函索取。
電話:021-68103333 傳真:021-51686322
如需與實物相吻合的性能參數、結構尺寸參數等詳情請來電來函索取。
電話:021-68103333 傳真:021-51686322

軟密封蝶閥視頻介紹





掃一掃關注我們