詳細介紹
| 產品概述 D943H6p電動法蘭硬密封蝶閥,采用精密的J形彈性密封圈和三偏心多層次金屬硬密封結構,被廣泛用于介質溫度≤425℃的治金 、電力、石油化工、以及給排水和市政建設等工業管道上,作調節流量和載斷流體使用。該閥采用三偏心結構,閥座與碟板密封面均采用不同硬度和不銹鋼制作,具有良好的耐腐蝕性,使用壽命長,本閥具有雙向密封功能,產品符合國家GB/T13927-92閥門壓力試驗標準。 產品特點 1、本閥采用三偏心密封結構,閥座與蝶板磨損小。 2、密封圈選用不銹鋼制作,具有金屬硬密封和彈性密封的雙重優點,無論在低溫和高溫的情況下,均具有優良的密封性能,具有耐腐蝕,使用壽命長等特點。 3、碟板密封面采用堆焊鈷基硬質合金,密封面耐磨損,使用壽命長. 4、大規格蝶板采用絎架結構,強度高,過流面積大,流阻小。 5、本閥具有雙向密封功能,安裝時不受介質流向的限制,也不受空間位置的影響,可在任何方向安裝。 6、驅動裝置可以多工位(旋轉90°或180°)安裝,便于用戶使用。 主要技術參數
主要零部件材料
采用標準
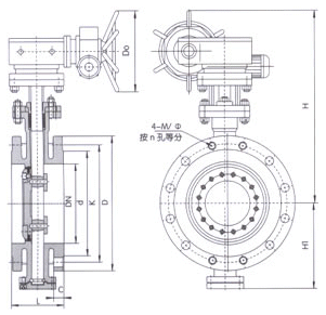
產品尺寸![]() | ||||||||||||||||||||||||||||||||||||||||||||||||||||||||||||
溫馨提示:“D943H-16p電動法蘭硬密封蝶閥”所有文字、數據、圖片均只適用于參考。
如需與實物相吻合的性能參數、結構尺寸參數等詳情請來電來函索取。
電話:021-68103333 傳真:021-51686322
如需與實物相吻合的性能參數、結構尺寸參數等詳情請來電來函索取。
電話:021-68103333 傳真:021-51686322

軟密封蝶閥視頻介紹





掃一掃關注我們