詳細介紹
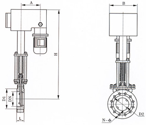
主要外形及連接尺寸(mm)
產品尺寸
|
溫馨提示:“PZ273H/Y電液動刀型閘閥”所有文字、數據、圖片均只適用于參考。
如需與實物相吻合的性能參數、結構尺寸參數等詳情請來電來函索取。
電話:021-68103333 傳真:021-51686322
如需與實物相吻合的性能參數、結構尺寸參數等詳情請來電來函索取。
電話:021-68103333 傳真:021-51686322

主要外形及連接尺寸(mm)
產品尺寸
|

輸入手機或固定電話號碼,點擊“免費咨詢”按鈕后,
我們的服務人員會在15秒內回撥您。