詳細介紹
產品概述
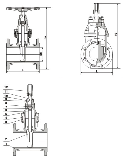
主要零部件材料
|
|
DN
|
50
|
65
|
80
|
100
|
125
|
150
|
200
|
250
|
300
|
350
|
400
|
450
|
500
|
600
|
|
L
|
178
|
190
|
203
|
229
|
254
|
267
|
292
|
330
|
356
|
381
|
406
|
432
|
457
|
508
|
|
HA
|
313
|
332
|
372
|
424
|
497
|
562
|
680
|
837
|
948
|
1010
|
1220
|
1280
|
1480
|
1665
|
|
HC
|
355
|
375
|
415
|
476
|
540
|
600
|
720
|
875
|
990
|
1050
|
1245
|
1310
|
1560
|
1750
|
產品尺寸

溫馨提示:“RVCX(Z45X)暗桿軟密封閘閥”所有文字、數據、圖片均只適用于參考。
如需與實物相吻合的性能參數、結構尺寸參數等詳情請來電來函索取。
電話:021-68103333 傳真:021-51686322
如需與實物相吻合的性能參數、結構尺寸參數等詳情請來電來函索取。
電話:021-68103333 傳真:021-51686322

軟密封蝶閥視頻介紹




掃一掃關注我們